Q47F型固定式手動球閥150(Lb)~1500(Lb)
Q47F型固定式手動球閥150(Lb)~1500(Lb)適用于化工、石油、天然氣、冶金、等行業及含硫化氫介質、雜質多、腐蝕嚴重的天然氣長輸管。
產品說明
Q47F型固定式手動球閥150(Lb)~1500(Lb)適用于化工、石油、天然氣、冶金、等行業及含硫化氫介質、雜質多、腐蝕嚴重的天然氣長輸管。
產品特點
1、閥座采用彈簧結構,將閥座推向球體,保證了良好的低壓密封性能; 2、固定球閥閥前,閥后閥座都能密封,即所謂雙向密封特性,利用自帶的排放閥,閥體中腔可向外排放 ;3、樞軸采用防吹出保護結構,低摩擦系數的軸承等。具有性能優異,可靠性高,用途廣泛 ;
性能參數
Q47F型固定式手動球閥150(Lb)~1500(Lb)性能參數
| 型號 | 適用溫度(℃) | 適用介質 | 材料 |
| Q47F-16C | -29~150 | 水、蒸汽、油品等 | 碳鋼 |
| Q47F-16P | CF8 |
結構連接尺寸
| 公稱通徑 | 主要外形尺寸和連接尺寸 | ||||||||
| L | D | D1 | D2 | b | Z-d | H | H1 | D0 | |
| 50 | 178 | 160 | 125 | 100 | 16 | 4-18 | 160 | 85 | - |
| 65 | 191 | 180 | 145 | 120 | 18 | 4-18 | 170 | 95 | - |
| 80 | 206 | 195 | 160 | 135 | 20 | 8-18 | 200 | 110 | - |
| 100 | 229 | 215 | 180 | 155 | 20 | 8-18 | 210 | 120 | - |
| 125 | 356 | 245 | 210 | 185 | 22 | 8-18 | 350 | 215 | - |
| 150 | 394 | 280 | 240 | 210 | 24 | 8-23 | 530 | 190 | - |
| 200 | 457 | 335 | 295 | 265 | 26 | 12-23 | 575 | 230 | 600 |
| 250 | 533 | 405 | 355 | 320 | 30 | 12-25 | 585 | 260 | 600 |
| 300 | 610 | 460 | 410 | 375 | 30 | 12-25 | 730 | 300 | 600 |
| 350 | 686 | 520 | 470 | 435 | 34 | 16-25 | 860 | 350 | 800 |
| 400 | 762 | 580 | 525 | 485 | 36 | 16-30 | 935 | 395 | 800 |
| 450 | 864 | 640 | 585 | 545 | 40 | 20-30 | 975 | 440 | 800 |
| 500 | 912 | 705 | 650 | 608 | 44 | 20-34 | 1060 | 485 | 800 |
| 600 | 1067 | 840 | 770 | 718 | 48 | 20-41 | 1170 | 591 | 800 |
| 700 | 1245 | 910 | 840 | 788 | 50 | 24-41 | 1270 | 686 | 800 |
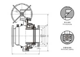
尺寸圖

安裝注意事項
1.安裝施工必須小心,切忌撞擊閥門。
2.安裝前,應將球閥作一檢查,核對規格型號,鑒定有無損壞,尤其對于閥桿。還要轉動幾下,看是否歪斜,因為運輸過程中,最易撞歪閥桿。還要清除閥內的雜物。
3.球閥起吊時,繩子不要系在手輪或閥桿上,以免損壞這些部件,應該系在閥體上。
4.對于球閥所連接的管路,一定要清掃干凈。可用壓縮空氣吹去氧化鐵屑、泥砂、焊渣和其他雜物。這些雜物,不但容易擦傷球閥的密封面,其中大顆粒雜物(如焊渣),還能堵死小閥門,使其失效。
5.安裝時要留有閥柄旋轉的位置。6.球閥不能用作節流。 7.帶傳動機構的球閥應直立安裝。
|
||||||||||||||||||||||||
![]() |
||||||||||||||||||||||||
| ||||||||||||||||||||||||









